Запасные части ЧТЗ Запасные части ЧТЗ
Алматы
Например:
Актобе
Алдан
или
Выбрать автоматически
Актобе
Алдан
Алматы
Алчевск
Архангельск
Астана
Астрахань
Атырау
Баку
Балашиха
Барнаул
Белгород
Бердянск
Бишкек
Владивосток
Владикавказ
Воркута
Воронеж
Горловка
Грозный
Донецк
Екатеринбург
Иваново
Ижевск
Иркутск
Казань
Калининград
Каменск-Уральский
Караганда
Каховка
Кемерово
Киров
Комсомольск-на-Амуре
Костанай
Краснодар
Красноярск
Красный луч
Ленск
Луганск
Магадан
Магнитогорск
Макеевка
Махачкала
Мелитополь
Минск
Мирный (Якутия)
Москва
Мурманск
Нерюнгри
Нижневартовск
Нижний Новгород
Нижний Тагил
Новая каховка
Новокузнецк
Новосибирск
Новый Уренгой
Норильск
Ноябрьск
Нур-Султан
Омск
Оренбург
Ош
Павлодар
Пермь
Петрозаводск
Петропавловск
Петропавловск-Камчатский
Псков
Ростов-на-Дону
Салехард
Самара
Санкт-Петербург
Саратов
Севастополь
Семей
Симферополь
Сочи
Ставрополь
Сургут
Сыктывкар
Тараз
Ташкент
Токмак
Томск
Тында
Тюмень
Ульяновск
Усинск
Усть-Каменогорск
Уфа
Хабаровск
Ханты-Мансийск
Херсон
Челябинск
Чита
Шымкент
Экибастуз
Энергодар
Южно-Сахалинск
Якутск
Ваш город
Алматы
Войти
Запасные части к тракторам на одном сайте
+7 (932) 303-00-10
+7 (932) 303-00-10
г. Алматы, ул. Казыбаева, д. 3
Пн-Пт: 9:30-18:30 Cб-Вс: Выходной
Отправить заявку


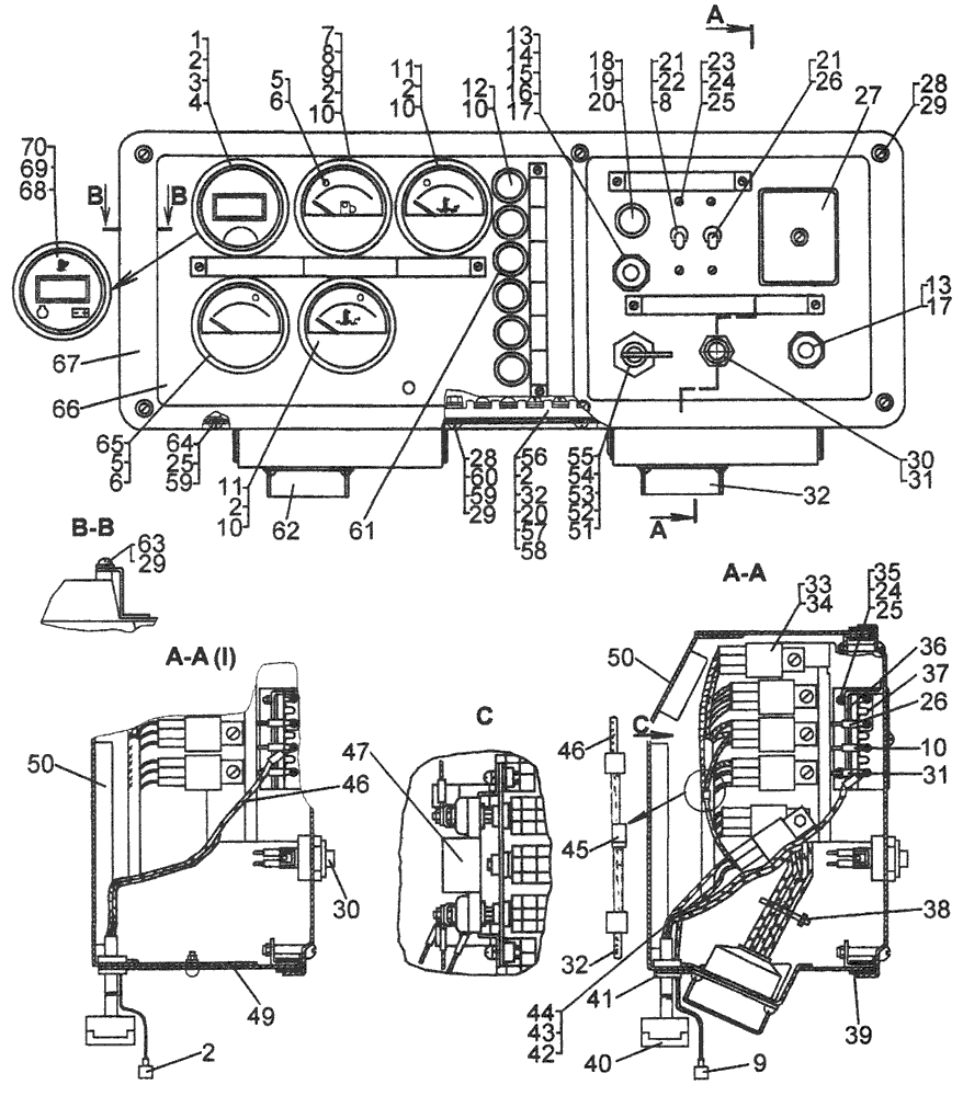
Блок пуска и контроля на Т10М / Б10М


/
с НДС 20%
Описание
Блок пуска и контроля Т10М
#Номер запчастиНаименование деталиКол-во в сборке
64-10-500-01СП 1
64-10-500СП 2
64-10-500-03СП 3
64-10-500-02СП 4
Блок пуска и контроля1
1-Тахометр ТХАЗ.1-111
264-10-488СППровод 1541
364-10-489СППровод 9031
464-10-490СППровод 9011
5-Лампа А24-27
6-Патрон со штекером ЛВ211-3714.3297
7Приемник указателя уровня топлива
34.3806
УБ170МУ-ХА
УБ170МЭ
УБ170МТ
1
864-10-135СППровод 791
950-10-834-02СППровод 2251
1064-10-324СППровод 711
11-Приемник указателя температуры 36.38072
12-Фонарь контрольной лампы 123.3803.010 (рубиновый)6
13-
700-42-2426
Выключатель 11.3704-01
Заглушка
2 2, 2 3; 1 1, 1 4
1 1, 1 4
1464-10-147-03СП 1Провод 561
1564-10-147СП 1, 3Провод 541
1664-10-150-01СП 1, 3
Провод 551
1764-10-150-02СППровод 622 1, 3
1 2, 4
18-Фонарь контрольной лампы 124.3803.010 1 (зеленый);1 2, 4
700-42-2426-01 2, 3, 4
Заглушка1
1964-10-381СП 1Провод 162, 14А1
2064-10-122СП 1Провод 1441
21-Выключатель
В-45М
В-45МЭ
В-45МТ
2
2264-10-147-07СП 1, 2, 4
Провод 6Б1
23-Винт BM4-6gx12.58.0165
24-Шайба 4Т65Г 067
25-Гайка М4-7Н.8.0167
2664-10-147-01СППровод 501
27-Блок предохранителей ПР11-К1
28-Винт M6-6gx30.58.0198
29-Шайба 6Т 65Г 0923 1
21 2, 3, 4
30-Выключатель
ВК 322
ВК 322Э
ВК 322Т
1
3164-10-147-02СППровод 6А1
3264-10-456СП 1
64-10-371СП 2, 4
Жгут 41
33-Реле 901.3747 6 1
4 2, 4
2 3
34-Колодка гнездовая 07-6,3-05 6 1
4 2, 4
2 3
35-Винт BM4-6gx16.58.0162
36700-40-8057Прокладка1
37703-80-142Шинка2
38-Стяжка кабельная ABB LUSA-SYSTEM 120/28
39700-40-7055Уплотнение1
4064-10-499СП
64-10-499-01СП 4
Жгут 6
Жгут 6А
1
4141879Кольцо1
4264-10-150-01СППровод 7Г1
4364-10-150-06СППровод 821
4464-10-378СППровод 82А2
4564-10-399СП 1Диод КД 226В1
4664-10-457СППровод 126В1
47Резистор добавочный с электротермическим реле 121.2.3741 11
4864-10-368СППровод 1821
4964-10-197 3Пластина1
5064-10-117СПКорпус1
51Замок-включатель
ВК856
ВК856Э
ВК856Т
1
5264-10-150СППровод 931
5364-10-121СП 1Провод 661
5464-10-146СППровод 671
5564-10-150-03СППровод 631
56-Панель соединительная 16 3723 0001
5764-10-366СППровод 8Г1
5864-10-367 3Провод 154Г1
5931358-1Шайба4
60-Гайка М6-7Н.6.0199
6164-10-369СППровод 107А1
6264-10-498СП 1
64-10-332СП 4
64-10-333СП 3
Жгут 5
Жгут 5А

1
6364-10-147-08СП 1Провод 94А1
64-Винт В.М6-6gx12.58.01913
65-Приемник указателя давления 331.38101
6664-10-230СППанель1
6764-10-129СППанель1
68-Счетчик моточасов
Вольтметр УК 34.2 4
РИВП 453.895.006
1
6964-10-153СП 4Провод 601
7064-10-452СП 4Провод 7Б1
I - Для трактора с пусковым двигателем.
1 Для трактора с электростартерной системой пуска и ЭФУ.
2 Для трактора с электростартерной системой пуска.
3 Для трактора с пусковым двигателем.
4 Для трактора с электростартерной системой пуска, без кабины.
#Номер запчастиНаименование деталиКол-во в сборке
-64-10-639-02СП 1
64-10-639СП 2
Блок пуска и контроля1
1-Винт В.М6-6g×35.58.0196
2-Шайба 6Т 65Г 0614 1, 16 2
3-Панель приборная ПП-08 ЮГИШ.453895.0011
464-10-643СППанель1
5-Винт В.М5-6g×16.58.0194
6-Гайка М5-7Н.6.0194
7-Шайба 5Т 65Г 064
8-Выключатель 11.3704-012
964-10-315Табличка1
1064-10-315-05 2Табличка1
11-Переключатель 82.3709-22.002
1264-10-315-01 2Табличка1
1364-10-315-04Табличка1
1464-10-315-02Табличка1
1564-10-315-03Табличка1
16-Выключатель
ВК 322
ВК 322Т 3
1
1764-10-637СП 2Жгут 41
18-Замок-включатель
ВК856
ВК856 Э 4
ВК856 Т 3
1
1964-10-638СП 2Жгут 51
20-Винт В.М6-6g×12.58.0194
21-Гайка М6-7Н.6.0194
22-Винт В.М4-6g×16.58.0166 1, 10 2
23-Гайка М4-6Н.6.0162
24-Шайба 4Т 65Г 066 1, 10 2
25700-40-8057Прокладка1
2664-10-648СП 1Жгут 51
27-Блок предохранителей ПР11-Р
Блок предохранителей ПР11-К
1
2864-10-647-01СП 1
64-10-647СП 2
Крышка1
29-Сигнализатор звуковой 733.3747-101
30703-80-142Шинка1 1, 2 2
31-Резистор добавочный с электротермическим реле 1212.3741 21
32-Винт В.М6-6g×16.58.0195 1, 6 2
33-Реле 753.37772 1, 3 2
3464-10-315-06 1Табличка1
3564-10-315-07 1Табличка1
3641879Кольцо1
3764-10-640СПКорпус1
38700-40-7055Уплотнение1
3964-10-197 1Пластина1
1 Для трактора с пусковым двигателем.
2 Для трактора с электростартерной системой пуска.
3 Для тропиков.
4 Для экспорта.
Блок пуска и контроля