Запасные части ЧТЗ Запасные части ЧТЗ
Алматы
Например:
Актобе
Алдан
или
Выбрать автоматически
Актобе
Алдан
Алматы
Алчевск
Архангельск
Астана
Астрахань
Атырау
Баку
Балашиха
Барнаул
Белгород
Бердянск
Бишкек
Владивосток
Владикавказ
Воркута
Воронеж
Горловка
Грозный
Донецк
Екатеринбург
Иваново
Ижевск
Иркутск
Казань
Калининград
Каменск-Уральский
Караганда
Каховка
Кемерово
Киров
Комсомольск-на-Амуре
Костанай
Краснодар
Красноярск
Красный луч
Ленск
Луганск
Магадан
Магнитогорск
Макеевка
Махачкала
Мелитополь
Минск
Мирный (Якутия)
Москва
Мурманск
Нерюнгри
Нижневартовск
Нижний Новгород
Нижний Тагил
Новая каховка
Новокузнецк
Новосибирск
Новый Уренгой
Норильск
Ноябрьск
Нур-Султан
Омск
Оренбург
Ош
Павлодар
Пермь
Петрозаводск
Петропавловск
Петропавловск-Камчатский
Псков
Ростов-на-Дону
Салехард
Самара
Санкт-Петербург
Саратов
Севастополь
Семей
Симферополь
Сочи
Ставрополь
Сургут
Сыктывкар
Тараз
Ташкент
Токмак
Томск
Тында
Тюмень
Ульяновск
Усинск
Усть-Каменогорск
Уфа
Хабаровск
Ханты-Мансийск
Херсон
Челябинск
Чита
Шымкент
Экибастуз
Энергодар
Южно-Сахалинск
Якутск
Ваш город
Алматы
Войти
Запасные части к тракторам на одном сайте
+7 (932) 303-00-10
+7 (932) 303-00-10
г. Алматы, ул. Казыбаева, д. 3
Пн-Пт: 9:30-18:30 Cб-Вс: Выходной
Отправить заявку


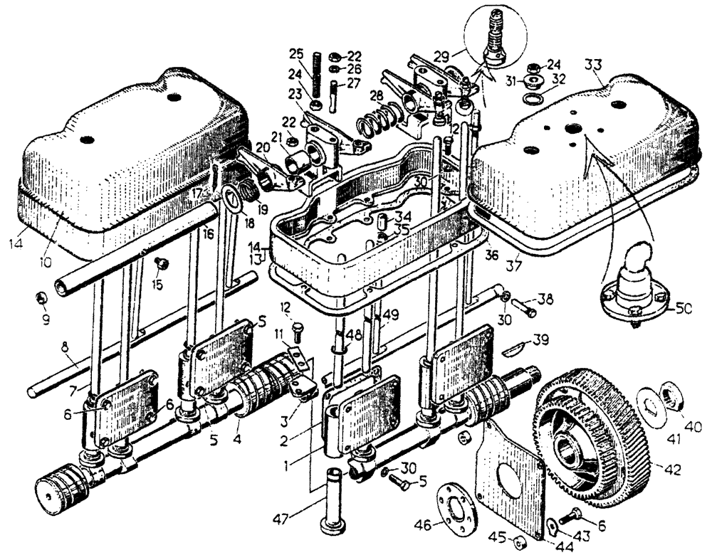
Механизм газораспределения дизеля на Т10М / Б10М


/
с НДС 20%
Описание
Механизм газораспределения дизеля Т10М
#Номер запчастиНаименование деталиКол-во в сборке
114-04-23Кронштейн4
240845Прокладка4
302236Подшипник1
414-04-20-1Вал распределительный1
504207Болт8
6-Болт М10x30.58.01912
751-04-45Штанга толкателя8
814-04-26Валик декомпрессора1
90280Заглушка2
1014-04-119СПКолпак1
1131383Пластина1
12-Болт М10x25.58.01914
1351-04-27 1Основание колпака1 1
1416-04-22Основание колпака2; 1 1
1541242Штуцер2
1614-04-24Валик коромысел2
17-Шплинт 4x404
183177Шайба4
19700-38-2026Пружина4
2014-04-21-2Коромысло клапана8
2151-04-47Втулка4
2230209Гайка12
2314-04-27Стойка4
24700-30-2417Гайка8
2529314Шпилька4
26-Шайба 12 ОТ 65Г 092
2704216Стопор4
28700-38-2465Пружина2
2965-04-2Винт8
30-Шайба 10 ОТ 65Г 0929
3151-04-55Втулка4
3246267Прокладка4
3314-04-119-01СПКолпак1
3402277Наконечник4
35-Гайка ГПШ-М10х14
36700-40-2108Прокладка2
37700-40-2896
700-40-8148
700-40-8868
Прокладка2
38700-35-2009Винт1
393420Шпонка1
403055Гайка1
413170-01Шайба1
4204202-1Колесо зубчатое1
433137Шайба4
4404203Плита1
450474Втулка4
460473Шайба1
4751-04-108СПТолкатель8
4804205Кольцо пружинное8
4902219Штанга декомпрессора4
5051-01-163СПСапун1
1 При установке турбокомпрессора К-27.
Механизм газораспределения дизеля